Overview
Product Details
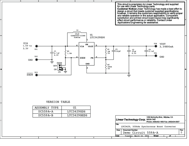
Demonstration circuit 559 is a high efficiency synchronous boost DC/DC converter with output disconnect, inrush current limiting and soft-start functions featuring the LTC3429. DC559A-A uses the LTC3429 Burst Mode capable device; DC559A-B uses the continuous switching LTC3429B (Burst Mode disabled). The demo board is capable of supplying 3.3V@90mA from a single AA cell input or 3.3V@250mA from a 2-cell input. The input range is from 1V to 3.3V.
Markets and Technologies
Applicable Parts
Documentation & Resources
-
DC559A - Schematic9/24/2009PDF121K
-
DC559A - Demo Manual9/24/2009PDF172K
-
DC559A - Design File9/24/2009ZIP401K
