Overview
Product Details
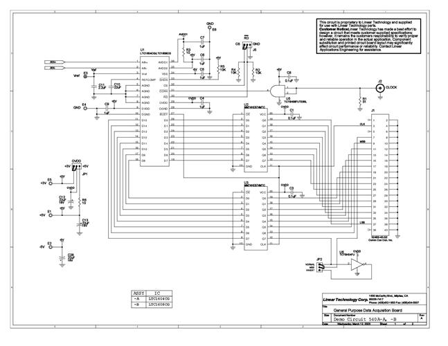
DC540A-A: Demo Board for the LTC1604 High Speed, 16-Bit, 333ksps Sampling A/D Converter with Shutdown.
Applicable Parts
Documentation & Resources
-
DC540A - Schematic9/24/2009PDF159K
-
DC540A - Demo Manual9/24/2009PDF106K
-
DC540A - Design File9/24/2009ZIP766K
