Overview
Product Details
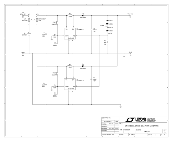
DC507A: Demo Board for the LT1937 White LED Step-Up Converter in SC70 and ThinSOT.
Applicable Parts
Documentation & Resources
-
DC507A - Schematic9/24/2009PDF18K
-
DC507A - Demo Manual9/24/2009PDF474K
-
DC507A - Design File9/24/2009ZIP875K
