Overview
Product Details
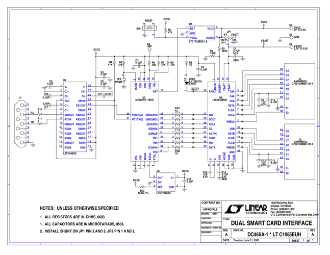
DC465A: Demo Board for LTC1955 - Dual Smart Card Interface with Serial Control.
Applicable Parts
Documentation & Resources
-
DC465A - Schematic9/24/2009PDF37K
-
DC465A - Demo Manual9/24/2009PDF331K
-
DC465A - Design File9/24/2009ZIP992K
