Overview
Product Details
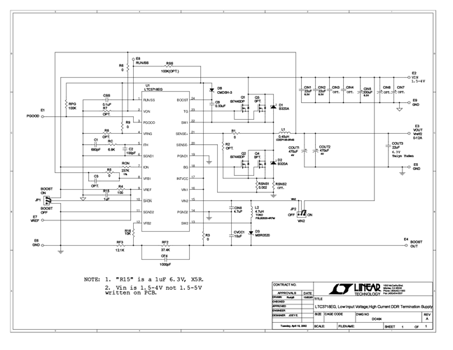
DC464A: Demo Board for LTC3718 Low Input Voltage, DC/DC Controller for DDR/QDR Memory Termination.
Applicable Parts
Documentation & Resources
-
DC464A - Schematic9/24/2009PDF116K
-
DC464A - Demo Manual9/24/2009PDF491K
-
DC464A - Design File9/24/2009ZIP1M
