Documentation & Resources
-
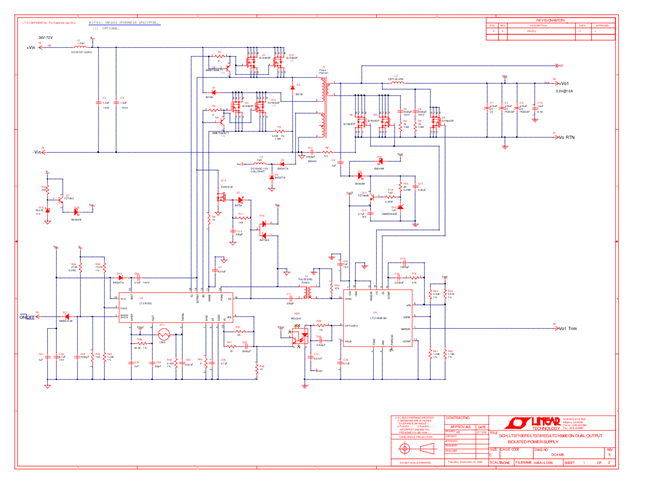
DC448A - Schematic9/24/2009PDF104K
-
DC448A - Demo Manual9/24/2009PDF543K
-
DC448A - Design File9/24/2009ZIP1M
