Overview
Product Details
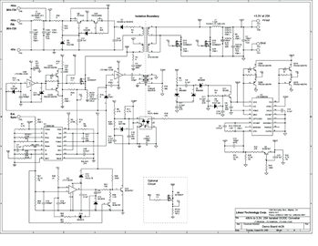
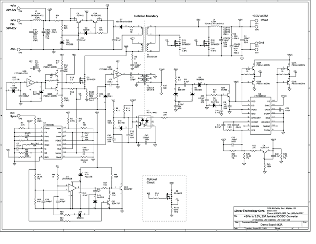
DC442A: Demo Board for the LT1950 Single Switch PWM Controller with Auxiliary Boost Converter.
Applicable Parts
Documentation & Resources
-
DC442A - Schematic9/24/2009PDF100K
-
DC442A - Demo Manual9/24/2009PDF287K
-
DC442A - Design File9/24/2009ZIP1M
