Overview
Product Details
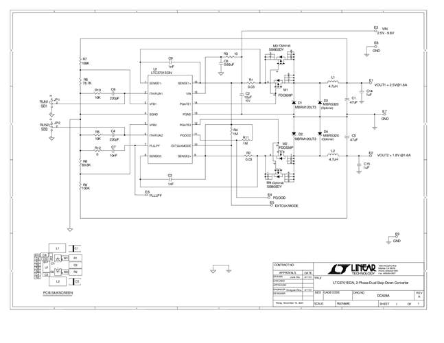
DC424A: Demo Board for the LTC3701 - 2-Phase, Low Input Voltage, Dual Step-Down DC/DC Controller.
Applicable Parts
Documentation & Resources
-
DC424A - Schematic9/24/2009PDF25K
-
DC424A - Demo Manual9/24/2009PDF163K
-
DC424A - Design File9/24/2009ZIP338K
