Overview
Product Details
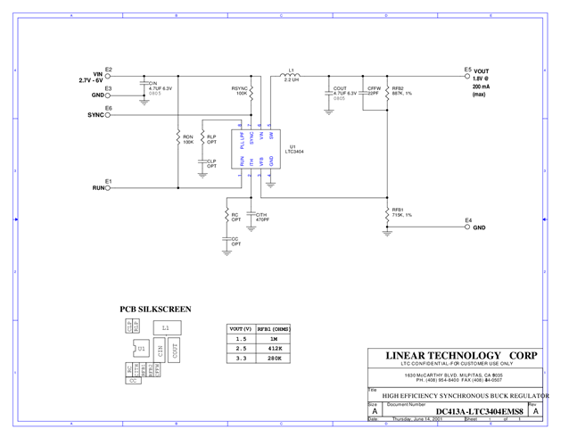
DC413A: Demo Board for the LTC3404 1.4MHz High Efficiency Monolithic Synchronous Step-Down Regulator
Applicable Parts
Documentation & Resources
-
DC413A - Schematic9/24/2009PDF19K
-
DC413A - Design File9/24/2009ZIP612K
