Overview
Product Details
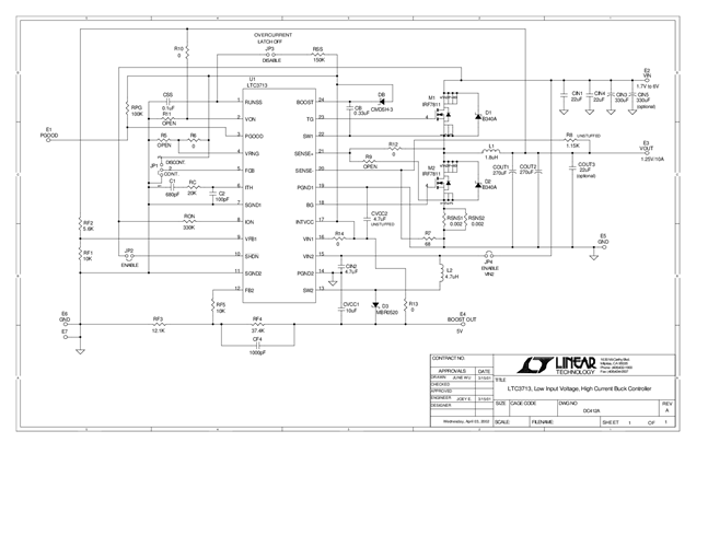
DC412A: Demo Board for the LTC3713 Low Input Voltage, High Power, No RSENSE Synchronous Buck DC/DC Controller
Applicable Parts
Documentation & Resources
-
DC412A - Schematic9/24/2009PDF23K
-
DC412A - Demo Manual9/24/2009PDF462K
-
DC412A - Design File9/24/2009ZIP956K
