Overview
Product Details
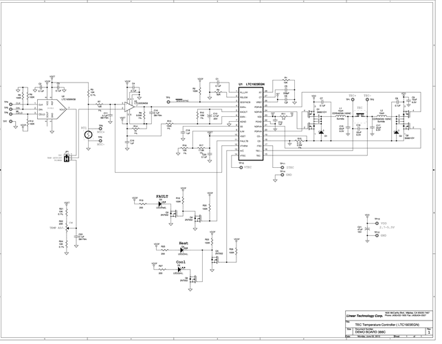
Demonstration circuit DC388 utilizes the LTC1923 thermoelectric cooler (TEC) controller. It provides a complete temperature control solution for TEC based temperature control of fiber-optic lasers. Laser temperature may be controlled at temperatures above or below ambient with set point stability typically well within .05º C over widely varying ambient temperature. Temperature set point is established with a screwdriver driven potentiometer or a 14-bit on-board DAC. Considerably more detail relating to TEC temperature control issues is available in LTC Application Note AN-89, “A Thermoelectric Cooler Temperature Controller for Fiber Optic Lasers.” This publication should be reviewed before demo board results are evaluated.
Markets and Technologies
Applicable Parts
Documentation & Resources
-
DC388C - Schematic1/21/2014PDF44K
-
DC388C - Quick Start Guide1/21/2014PDF14K
-
DC388C - Design Files1/21/2014ZIP736K





