Overview
Product Details
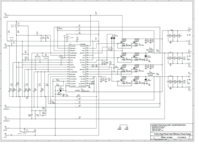
DC386A: Demo Board for LTC1876 High Efficiency, 2-Phase, Dual Synchronous Step-Down Switching Controller and Step-Up Regulator.
Applicable Parts
Documentation & Resources
-
DC386A - Schematic9/24/2009PDF99K
-
DC386A - Demo Manual9/24/2009PDF93K
-
DC386A - Design File9/24/2009ZIP1M
