Overview
Product Details
This evaluation board is obsolete and no longer recommended.Applicable Parts
Documentation & Resources
-
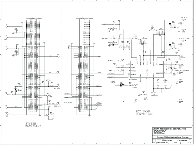
DC369A - Schematic9/24/2009PDF85K
-
DC369A - Demo Manual9/24/2009PDF100K
-
DC369A - Design File9/24/2009ZIP1M
