Overview
Product Details
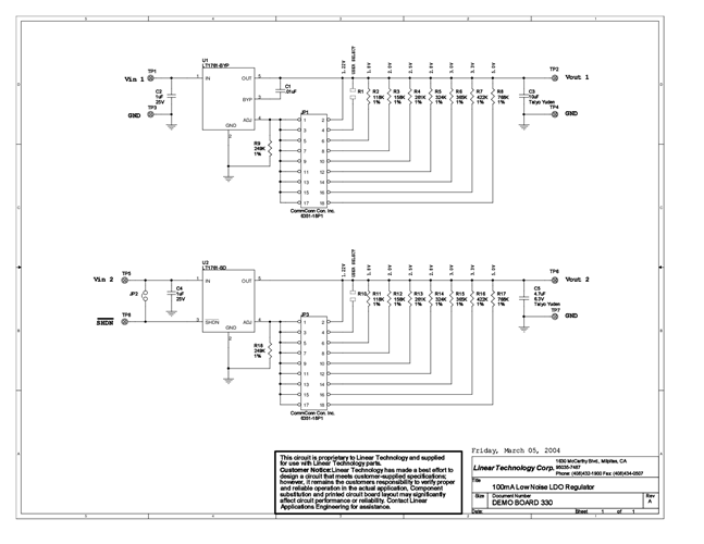
Demonstration circuit DC330 comprises two low noise micropower voltage regulators using the 100mA output LT1761 in the 5-lead SOT-23 package. The demo board includes two circuits: one using the LT1761-BYP which allows the internal reference to be bypassed to reduce output voltage noise, and the other using the LT1761-SD which has a low current shutdown feature. Both circuits accept a 2.3V to 20V input and have a jumper-selectable 1.22V/1.5V/1.8V/2.5V/2.8V/3.0V/3.3V/5.0V/Adj output.
Documentation & Resources
-
DC330A - Schematic9/24/2009PDF85K
-
DC330A - Demo Manual9/24/2009PDF188K
-
DC330A - Design File9/24/2009ZIP440K
