Documentation & Resources
-
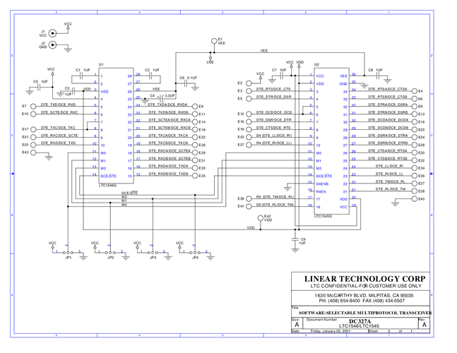
DC327A - Schematic9/24/2009PDF22K
-
DC327A - Demo Manual9/24/2009PDF95K
-
DC327A - Design File9/24/2009ZIP1M
