Overview
Product Details
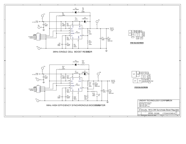
DC308A: Demo Board for LTC3401 1A, 3MHz Micropower Synchronous Boost Converter.
Applicable Parts
Documentation & Resources
-
DC308A - Schematic9/24/2009PDF24K
-
DC308A - Demo Manual9/24/2009PDF199K
-
DC308A - Design File9/24/2009ZIP374K
