Overview
Product Details
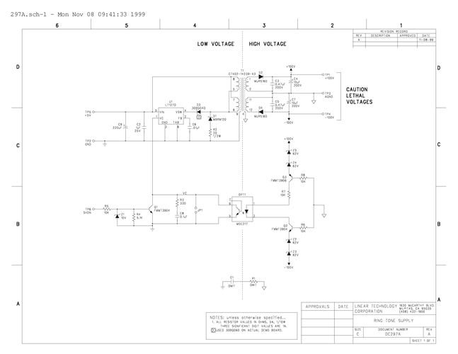
DC297A: Demo Board for LT1270 8A and 10A High Efficiency Switching Regulators.
Applicable Parts
Documentation & Resources
-
DC297A - Schematic9/24/2009PDF74K
-
DC297A - Demo Manual9/24/2009PDF56K
-
DC297A - Design File9/24/2009ZIP692K
