Overview
Product Details
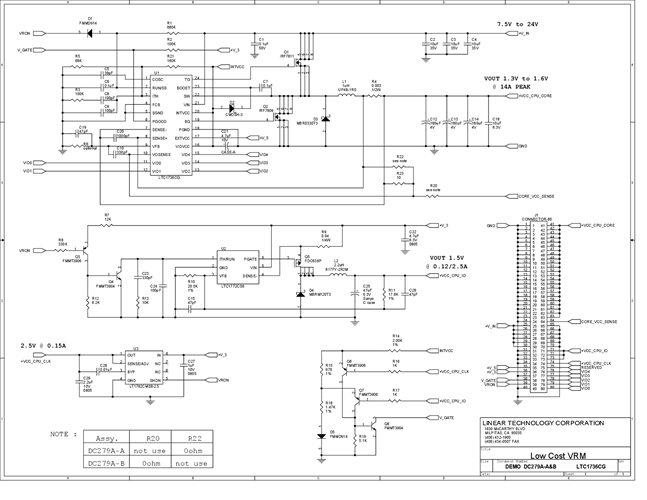
DC279A-B Demo Board for:
LTC1736 5-Bit Adjustable High Efficiency Synchronous Step-Down Switching Regulator
LT1762 150mA, Low Noise, LDO Micropower Regulators
LTC1772 Constant Frequency Current Mode Step-Down DC/DC Controller in SOT-23
Markets and Technologies
Applicable Parts
Documentation & Resources
-
DC279A - Schematic9/24/2009PDF104K
-
DC279A - Demo Manual9/24/2009PDF59K
-
DC279A - Design File9/24/2009ZIP267K
