Overview
Product Details
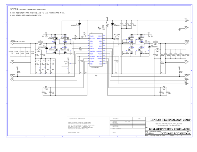
DC275A: Demo Board for the LTC1702A Dual 550kHz Synchronous 2-Phase Switching Regulator Controller.
Applicable Parts
Documentation & Resources
-
DC275A - Schematic9/24/2009PDF40K
-
DC275A - Demo Manual9/24/2009PDF326K
-
DC275A - Design File9/24/2009ZIP1M
