Overview
Product Details
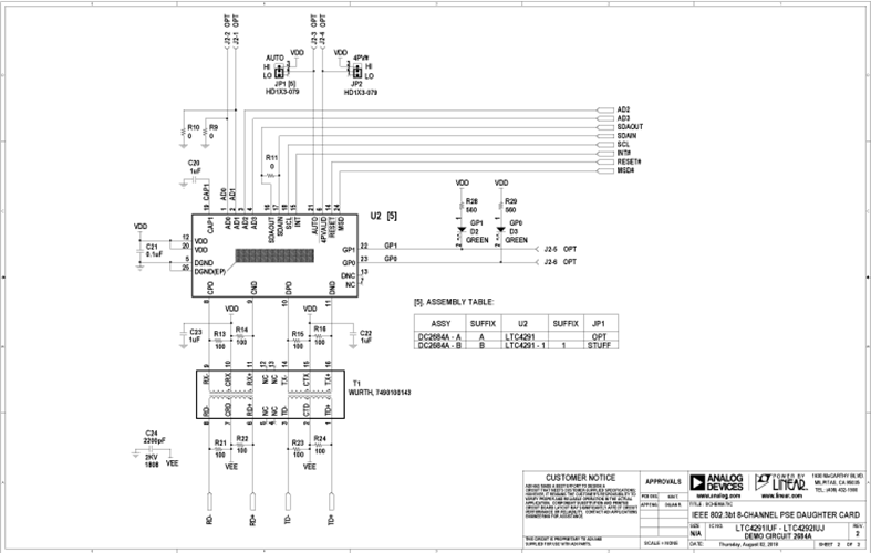
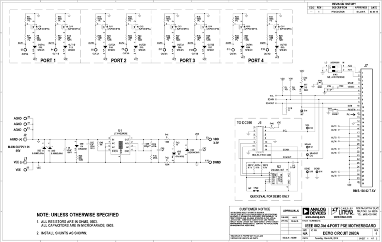
Demonstration circuit 2685B-KIT is an Ethernet Alliance Gen 2 PoE certified 4-port IEEE 802.3bt power sourcing equipment (PSE) composed of a DC2684A-B (daughter card) and DC2683A (motherboard). The DC2685BKIT is used for evaluation of the LTC4291-1/LTC4292 PSE chipset. Up to four IEEE 802.3af, IEEE 802.3at, or IEEE 802.3bt powered devices (PDs) can be connected and powered from this system using a single power supply. A DC590 is connected to the DC2685B-KITfor I2C interfacing with QuikEval™.
This demonstration manual provides a quick start procedure, a DC2684A-B daughter card overview, a DC2683A mother board overview, schematics, and layout printouts.
Markets and Technologies
Applicable Parts
Documentation & Resources
- 
                                                                
                                                                    
                                                                                                                                            DC2685B - Schematic10/5/2018PDF108 K
- 
                                                                
                                                                    
                                                                                                                                            DC2685B-KIT - Demo Manual10/5/2018PDF1 M
- 
                                                                
                                                                    
                                                                                                                                            DC2685B - Design FIles10/5/2018ZIP4 M
 
                             
                         
                         
                                                 
                                                 
                                                 
                                                 
                                                 
                                                 
                                                 
                                                






