Overview
Product Details
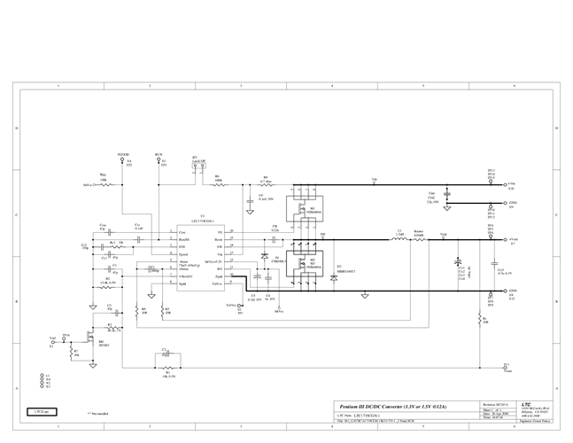
DC267A: Demo Board for the LTC1735-1 High Efficiency Synchronous Step-Down Switching Regulator.
Applicable Parts
Documentation & Resources
-
DC267A - Schematic9/24/2009PDF30K
-
DC267A - Demo Manual9/24/2009PDF63K
-
DC267A - Design File9/24/2009ZIP720K
