Overview
Product Details
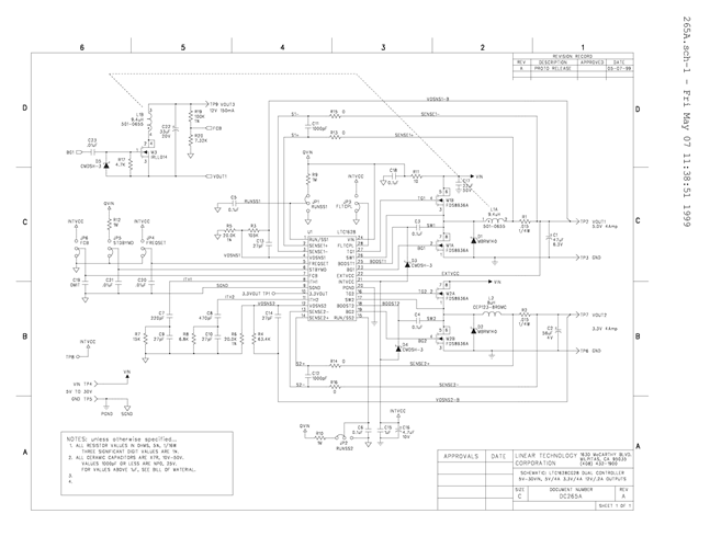
DC265A: Demo Board for the LTC1628 High Efficiency, 2-Phase Synchronous Step-Down Switching Regulator.
Applicable Parts
Documentation & Resources
- 
                                                                
                                                                    
                                                                                                                                            DC265A - Schematic9/24/2009PDF165K
- 
                                                                
                                                                    
                                                                                                                                            DC265A - Demo Manual9/24/2009PDF201K
- 
                                                                
                                                                    
                                                                                                                                            DC265A - Design File9/24/2009ZIP762K
 
                             
                         
                         
                                                