Overview
Product Details
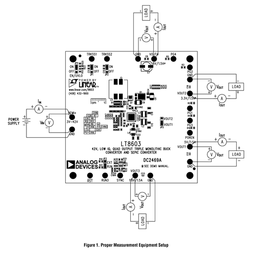
Demonstration circuit 2469A features the LT8603 with triple monolithic buck regulators and the boost channel as SEPIC. The demo circuit is designed for 8V, 5V, 3.3V, and 1.8V outputs from a nominal 12V input. The 4th channel is set as a SEPIC converter and its output is regulated at 8V over a wide input range. The two high voltage buck regulators are powered from VOUT4. VOUT1 is regulated at 5V with 1.5A maximum output load current, and VOUT2 is at 3.3V with 2.5A maximum output load current. The low voltage buck is powered from VOUT2 (3.3V), and the output VOUT3 is regulated at 1.8V with 1.8A maximum load current. Thanks to the SEPIC converter, all four outputs can ride through a cold crank in automotive applications while providing regulated output voltages.
Markets and Technologies
Applicable Parts
Documentation & Resources
-
DC2469A - Schematic1/19/2018PDF80K
-
DC2469A - Demo Board Manual1/19/2018PDF626K
-
DC2469A - Design Files1/19/2018ZIP2M
