Overview
Product Details
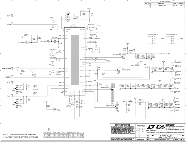
Demonstration circuit DC2435A is a step-up/down supply featuring the LTC7813EUH. The LTC7813 is a high performance dual output (buck and boost) synchronous DC/DC switching regulator controller. The board has three different configurations:
- DC2435A-A: Regulated output voltage of 24 Volt
- DC2435A-B: Narrowed output voltage between 20V and 28V
- DC2435A-C: Dual output voltages of 24V (Boost VBUS channel) and 5V (Buck VOUT1 channel)
The circuit enables a drop-in layout where the total circuit area is only 1½" by 1½". The LTC7813EUH is in a 32-lead exposed pad QFN package.
Markets and Technologies
Applicable Parts
Documentation & Resources
-
DC2435A - Schematic5/13/2016PDF91K
-
DC2435A - Demo Manual5/13/2016PDF754K
-
DC2435A - Design Files5/13/2016ZIP1M
