Overview
Product Details
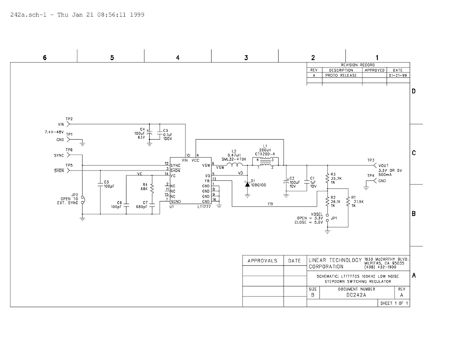
DC242A: Demo Board for the LT1777 Low Noise Step-Down Switching Regulator.
Applicable Parts
Documentation & Resources
-
DC242A - Schematic9/24/2009PDF63K
-
DC242A - Demo Manual9/24/2009PDF189K
-
DC242A - Design File9/24/2009ZIP632K
