User Guide
Rev.
A
1
View All
Overview
Product Details
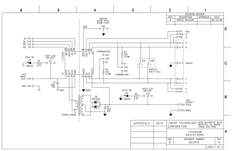
Demonstration circuit 241C showcases the LTC1535 isolated RS485 transceiver. The LTC1535 features 2,500V isolation; the “left-half” of the chip contains familiar RS485 logic functions and an isolated switching converter, and the “right-half” contains the RS485 transceiver. Both sides include a communications section to send data back and forth across the internal capacitive isolation barrier.
Markets and Technologies
Applicable Parts
Documentation & Resources
-
DC241 - Schematic9/24/2009PDF75K
-
DC241B - Demo Manual (Rev. A)8/17/2011PDF202K
-
DC241B - Design File9/24/2009ZIP436K




