Overview
Product Details
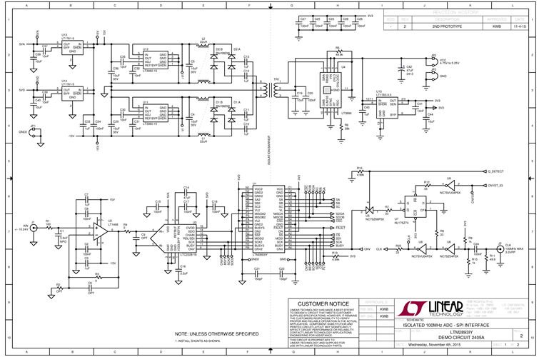
Demonstration circuit 2405A shows an LTM2893 isolating and interfacing an LTC2328-18. The LTM2893 is a high speed SPI isolator for interfacing read only ADCs with a full complement of control signals. The LTC2328-18 is a low noise, high speed 18-bit successive approximation register (SAR) ADC. Low noise isolated power is delivered to the isolated side with an LT3999 push-pull driver and isolation transformer.
Markets and Technologies
Applicable Parts
Documentation & Resources
-
DC2405A - Schematic12/16/2016PDF54K
-
DC2405A - Demo Manual12/16/2016PDF1M
-
DC2405A - Design Files12/16/2016ZIP1M
