Overview
Product Details
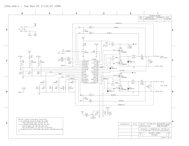
DC236C-C: Demo Board for the LTC1628 High Efficiency, 2-Phase Synchronous Step-Down Switching Regulator.
Applicable Parts
Documentation & Resources
- 
                                                                
                                                                    
                                                                                                                                            DC236C - Schematic9/24/2009PDF187K
- 
                                                                
                                                                    
                                                                                                                                            DC236C - Demo Manual9/24/2009PDF384K
- 
                                                                
                                                                    
                                                                                                                                            DC236C - Design File9/24/2009ZIP479K
 
                             
                         
                         
                                                