Overview
Product Details
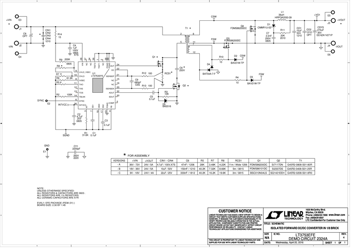
Demonstration circuits 2324A-A, 2324A-B, and 2324A-C are active clamp forward converters with synchronous rectification featuring the LT3753.
These circuits were designed to demonstrate the high level of performance, efficiency and small solution size attainable using this part. They operate at 240kHz. The DC2324A-A produces a 24V/5A output from an input voltage range of 36V to 72V. The DC2324A-B produces a 24V/5A output from an input voltage range of 18V to 36V. The DC2324A-C produces a 24V/4A output from an input voltage range of 9V to 18V, making it suitable for telecom, industrial and other isolated power supply applications. They all have an eighth-brick footprint area. Synchronous rectification helps to attain efficiency exceeding 94% (exceeding 95% for the DC2324A-A and DC2324A-B).
Applicable Parts
Documentation & Resources
- 
                                                                
                                                                    
                                                                                                                                            DC2324A - Schematic5/25/2016PDF36K
- 
                                                                
                                                                    
                                                                                                                                            DC2324A - Demo Manual9/14/2016PDF612K
- 
                                                                
                                                                    
                                                                                                                                            DC2324A - Design Files5/25/2016ZIP963K
 
                             
                         
                         
                                                 
                                                 
                                                 
                                                


