Overview
Product Details
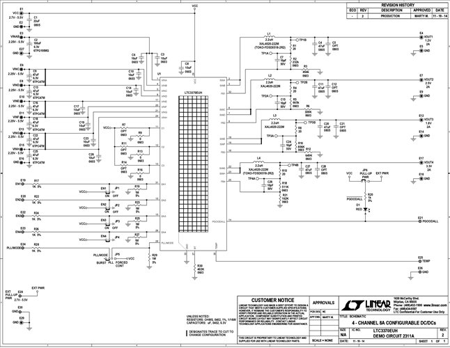
Demonstration circuit 2311A is a 4-output power supply featuring the LTC3370. The LTC3370 has four current mode synchronous buck regulators which can be configured to share eight individual 1A power stages to create one of eight combinations of 1A, 2A, 3A and 4A regulators. The DC2311A is set up as four 2A buck regulators but can be modified to one of the other seven configurations.
Applicable Parts
Documentation & Resources
-
DC2311A - Schematic3/9/2015PDF103K
-
DC2311A - Demo Manual3/9/2015PDF928K
-
DC2311A - Design Files3/9/2015ZIP4M
