Overview
Product Details
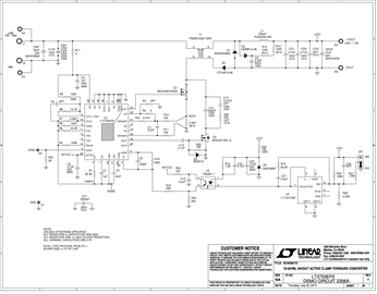
Demonstration circuit 2306A is an active clamp forward converter featuring the LT3753.
This circuit was designed to demonstrate the high level of performance and efficiency that can be attained with the LT3753. It operates at 100kHz and produces a regulated 54V, 1.5A output from a wide input voltage range of 10V to 54V, making it suitable for telecom, industrial, and other applications. The output voltage of this circuit is jumper selectable between 54V and 48V.
Applicable Parts
Documentation & Resources
-
DC2306A - Schematic8/24/2015PDF41K
-
DC2306A - Demo Manual8/24/2015PDF390K
-
DC2306A - Design Files8/24/2015ZIP1M



