Overview
Product Details
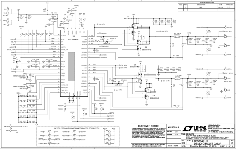
Demonstration circuit 2283A is a high efficiency, high density, single-output Buck converter with 7V to 14V input range. The output voltage is adjustable from 0.5V to 1.5V, and can supply up to 160A of load current with a 1V output. The demo board offers the option to be configured as a dual-output converter, contact factory for details. VOUT0 can supply a 40A maximum load current and VOUT1 can supply a 120A maximum load current. The demo board features the LTC3884, a dual output poly phase step-down controller for ultra-low DCR sensing with digital power system management. Please see LTC3884 data sheet for more detailed information.
Applicable Parts
Documentation & Resources
-
DC2283A - Schematic4/27/2016PDF140K
-
DC2283A - Demo Manual4/27/2016PDF953K
-
DC2283A - Design Files4/27/2016ZIP6M
