Overview
Product Details
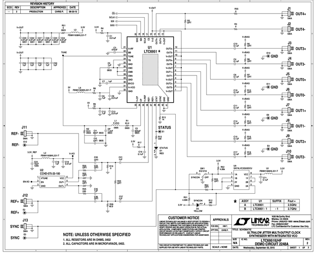
Demonstration circuit 2248A features the LTC6951, an Ultralow Jitter Multi-Output Clock Synthesizer with Integrated VCO.
For ease of use, the DC2248A is powered from a single 6V supply and comes installed with a 100MHz reference. Direct access to the LTC6951 5V, 3.3V and the reference supplies is possible by removing jumpers. For evaluation of the LTC6951 with other references, the DC2248A can be modified to accommodate different onboard or external components.
Markets and Technologies
Applicable Parts
Documentation & Resources
-
DC2248A - Schematic3/1/2016PDF86K
-
DC2248A - Demo Manual3/1/2016PDF1M
-
DC2248A - Design Files4/21/2016ZIP4M




