Overview
Product Details
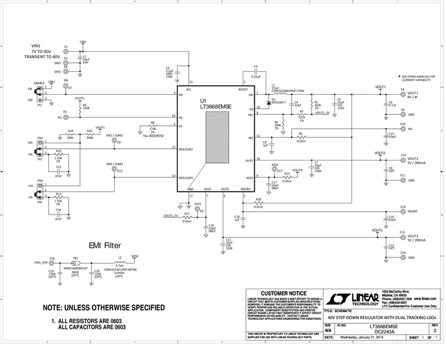
Demonstration circuit 2243A is a triple power supply that includes one 400mA step-down regulator and two 200mA low dropout (LDO) linear tracking regulators featuring the LT3668. The demo circuit is designed for one 6V and dual 5V outputs from a 7V to 40V input. Two LDO outputs are configured as post-regulators of the switching regulator output. The total current capability of three output channels is up to 400mA, while the two LDO regulators are capable of 200mA each.
Applicable Parts
Documentation & Resources
-
DC2243A - Schematic3/30/2015PDF84K
-
DC2243A - Demo Manual3/30/2015PDF306K
-
DC2243A - Design Files3/30/2015ZIP2M
