Overview
Product Details
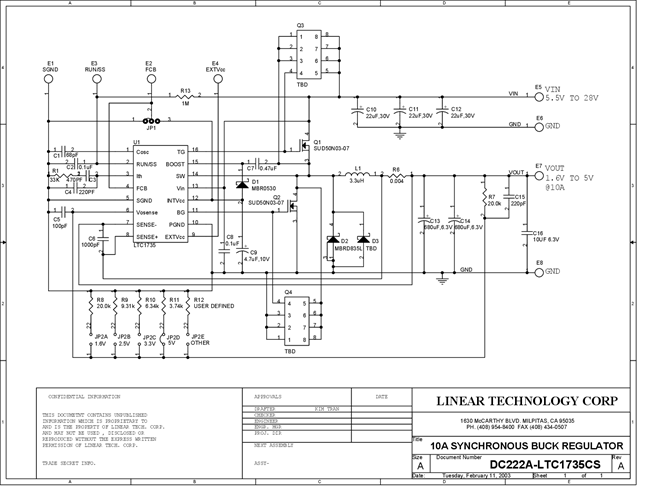
DC222A: Demo Board for the LTC1735 High Efficiency Synchronous Step-Down Switching Regulator.
Applicable Parts
Documentation & Resources
-
DC222A - Schematic9/24/2009PDF90K
-
DC222A - Demo Manual9/24/2009PDF18K
-
DC222A - Design File9/24/2009ZIP1M
