Overview
Product Details
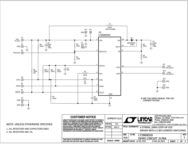
Demonstration circuit 2176A features the LT3909, a 2-string × 50mA, 2MHz step-up LED driver with ±1.8% current matching. The LT3909 precisely regulates two LED strings for equal current, supports LED dimming that reduces brightness down to a 1/40,000 ratio, protects against faults and also reports faults. The LT3909 consists of a step-up converter with a fixed 2MHz switching frequency and current sources for the LED strings.
The maximum current in each LED string is 40mA. The ISET resistor can be changed to 20.0kΩ to program the string current to 50mA – see the data sheet for an application example with 50mA string current. Voltage feedback resistors optimize operation for LEDs that are 35V maximum.
Markets and Technologies
Applicable Parts
Documentation & Resources
-
DC2176A - Schematic9/29/2015PDF80K
-
DC2176A - Demo Manual5/27/2016PDF354K
-
DC2176A - Design Files4/21/2016ZIP2M
