Overview
Product Details
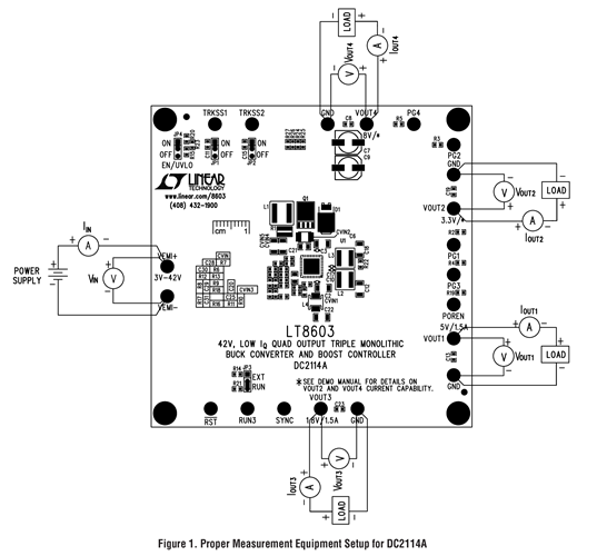
Demonstration Circuit 2114A features the LT8603 with triple monolithic buck regulators and a boost controller. The demo circuit is designed for 8.0V, 5.0V, 3.3V, and 1.8V outputs from a nominal 12V input. The 4th channel is set as a boost converter and is powered from a wide input range with output VOUT4 regulated at 8V if 3V < VIN < 8.5V. It works as diode pass through if the input is above 8.5V. The two high voltage buck regulators are powered from the boost converter. VOUT1 is regulated at 5V with 1.5A maximum output load current, and VOUT2 is at 3.3V with 2.5A maximum output load current. Thanks to the pre-boost converter, they can ride through a cold crank in automotive applications while providing constant output voltages 5V and 3.3V. The low voltage buck is powered from the VOUT2 (3.3V), and the output VOUT3 is regulated at 1.8V with 1.8A maximum load current.
Markets and Technologies
Applicable Parts
Documentation & Resources
-
DC2114A - Schematic1/10/2018PDF80K
-
DC2114A - Demo Manual1/10/2018PDF1M
-
DC2114A - Design Files1/10/2018ZIP3M



