Overview
Product Details
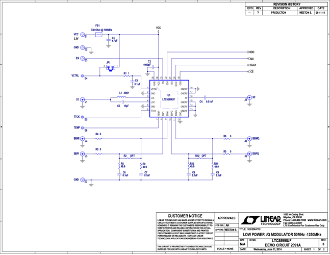
Demonstration circuit 2091A is optimized for evaluation of the LTC5599 low power direct quadrature modulator. The balanced I and Q baseband input ports can be either AC- or DC-coupled to a source with a common mode voltage level of about 1.4V. Fixed LC networks on the LO and RF ports cover a continuous 90MHz to 1300MHz range. The SPI interface controls the supply current, modulator gain, and allows optimization of the LO carrier feedthrough and side-band suppression.
Applicable Parts
Documentation & Resources
-
DC2091A - Schematic9/5/2014PDF67K
-
DC2091A - Demo Manual11/20/2015PDF648K
-
DC2091A - Design Files9/5/2014ZIP1M





