Overview
Product Details
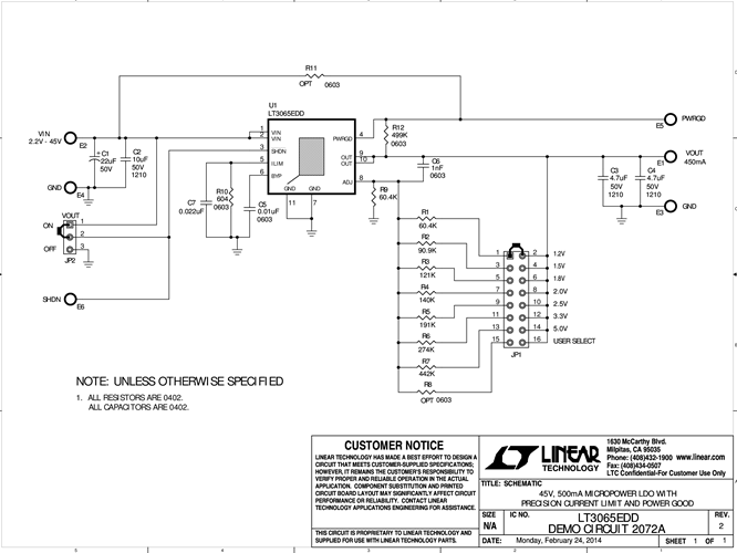
Demonstration circuit 2072A is an adjustable 500mA linear regulator featuring the LT3065. The LT3065 is a micropower, low noise and low dropout voltage linear regulator. The device supplies 500mA of output current with a typical dropout voltage of 300mV. A 10nF bypass capacitor reduces output noise to 25μVRMS in a 10Hz to 100kHz bandwidth and soft-starts the reference. The LT3065’s ±45V input voltage rating combined with its precision current limit make the IC an ideal choice for robust, high reliability applications.
Documentation & Resources
-
DC2072A - Schematic2/25/2014PDF31K
-
DC2072A - Demo Manual2/25/2014PDF191K
-
DC2072A - Design Files2/25/2014ZIP602K



