Overview
Product Details
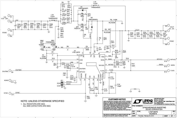
Demonstration circuit 2067A is a synchronous inverting converter (CUK topology) featuring the LT8710 switching controller. It regulates a –5V, 6A output from a 4.5V to 28V input source, and operates at 300kHz switching frequency. The LT8710 features simple negative or positive output voltage programming. The DC2067 programs a –5V output with a single resistor.
Applicable Parts
Documentation & Resources
-
DC2067A - Schematic2/21/2014PDF37K
-
DC2067A - Demo Manual2/21/2014PDF252K
-
DC2067A - Design Files2/21/2014ZIP1M
