Overview
Product Details
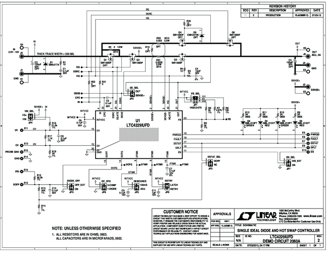
DC2060A: Demo Board for LTC4229 Ideal Diode and Hot Swap Controller.
Applicable Parts
Documentation & Resources
-
Hot Swap Controllers8/2/2023PDF0 M
-
DC2060A - Schematic11/25/2013PDF48K
-
DC2060A - Demo Manual11/25/2013PDF271K
-
DC2060A - Design Files11/25/2013ZIP981K
