Overview
Product Details
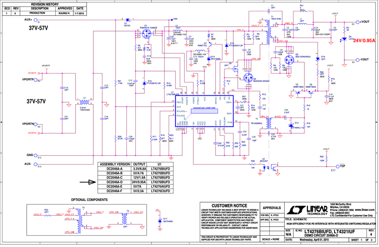
Demonstration circuit 2046A-D is a PoE powered device (PD) with an isolated power supply using synchronous flyback topology, featuring the LT4276 and ideal diode bridge controller (LT4321).
Markets and Technologies
Applicable Parts
Documentation & Resources
-
DC2046A-D - Schematic7/10/2015PDF72K
-
DC2046A-D - Demo Manual7/10/2015PDF1M
-
DC2046A - Design Files7/10/2015ZIP2M





