User Guide
                                                                    
                                                                
                                                                            
                                                                                Rev.
                                                                                A
                                                                            
                                                        
                                                        
                                                            
                                                                    1
                                                                    View All
                                                            
                                                        
                                                    Overview
Product Details
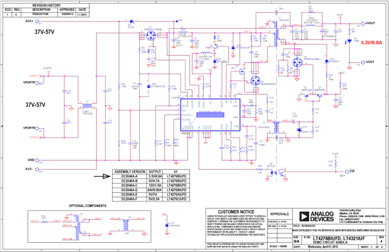
Demonstration circuit 2046A-A is an Ethernet Alliance™ certified PoE powered device (PD) with an isolated power supply using synchronous flyback topology, featuring the LT4276 and ideal diode bridge controller (LT4321).
Markets and Technologies
Applicable Parts
Documentation & Resources
- 
                                                                
                                                                    
                                                                                                                                            DC2046A-A - Schematic7/10/2015PDF73K
- 
                                                                
                                                                    
                                                                                                                                            DC2046A-A - Demo Manual (Rev. A)7/10/2015PDF779K
- 
                                                                
                                                                    
                                                                                                                                            DC2046A - Design Files7/10/2015ZIP2M
 
                             
                         
                         
                                                 
                                                 
                                                 
                                                 
                                                 
                                                




