Overview
Product Details
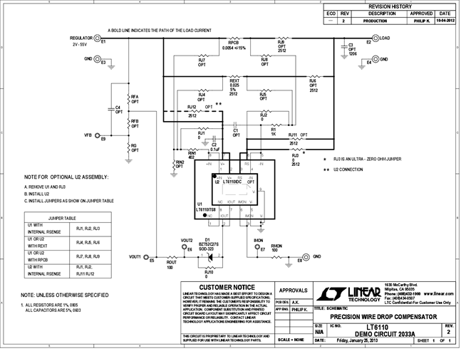
DC2033A: Demo Board for the LT6110 Cable/Wire Drop Compensator.
Markets and Technologies
Applicable Parts
Documentation & Resources
-
DC2033A - Schematic4/16/2013PDF48K
-
DC2033A - Demo Manual4/16/2013PDF400K
-
DC2033A - Design Files4/16/2013ZIP716K
