Overview
Product Details
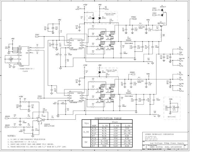
DC201A: Demo Board for the LTC1430A High Power Step-Down Switching Regulator Controller.
Applicable Parts
Documentation & Resources
-
DC201A - Schematic9/24/2009PDF87K
-
DC201A - Demo Manual9/24/2009PDF1M
-
DC201A - Design File9/24/2009ZIP522K
