Overview
Product Details
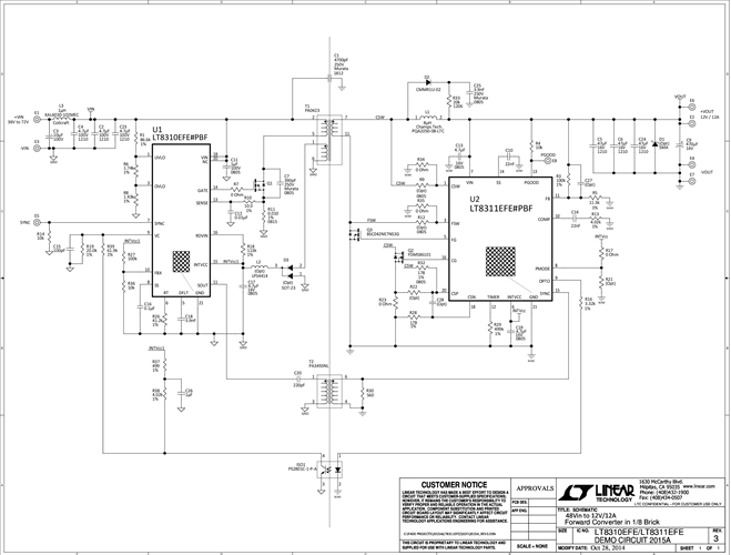
Demonstration circuit 2015A is a resonant reset forward converter with synchronous rectification featuring the LT8310/LT8311 chipset. This circuit was designed to demonstrate the high levels of performance, efficiency, and small solution size attainable using these parts. It operates at 240kHz and produces a regulated 12V, 12A output from an input voltage range of 36V to 72V: suitable for telecom, industrial, and other applications. It has an eighth-brick footprint area. Synchronous rectification helps to attain efficiency exceeding 94%.
Documentation & Resources
-
DC2015A - Schematic11/3/2014PDF83K
-
DC2015A - Demo Manual11/3/2014PDF503K
-
DC2015A - Design Files11/3/2014ZIP2M
