Overview
Product Details
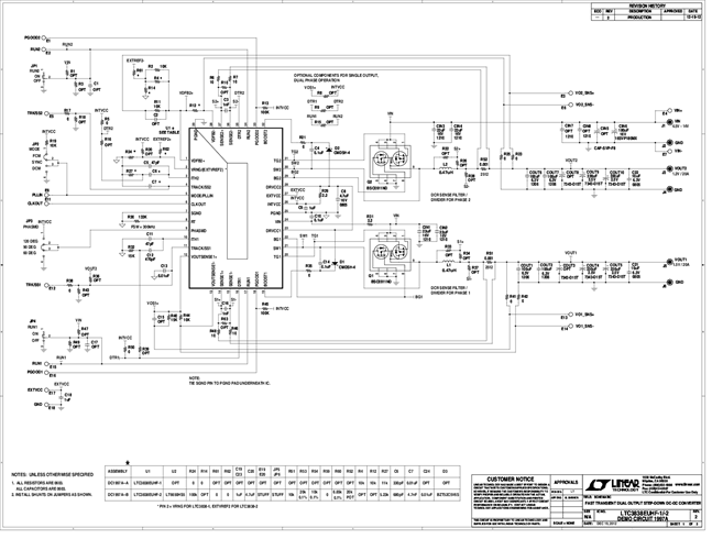
Demonstration circuit DC1997A is a dual output synchronous buck converters featuring the LTC3838EUHF-1 (DC1997A-A) or the LTC3838EUHF-2 (DC1997A-B). Both assemblies provide two outputs of 1.5V/20A and 1.2V/20A over an input voltage range of 4.5V to 14V at a switching frequency of 300kHz. The LTC3838-1 and LTC3838-2 provide dual differential VOUT sensing while the dual LTC3838 (plain) has differential VOUT sensing on one channel. The "-2" version has an external reference input for channel 2.
Applicable Parts
Documentation & Resources
-
DC1997A - Schematic4/22/2013PDF122K
-
DC1997A - Demo Manual2/15/2013PDF2M
-
DC1997A - Design Files4/22/2013ZIP2M
