Overview
Product Details
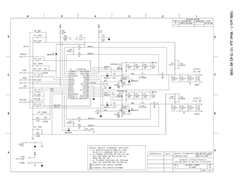
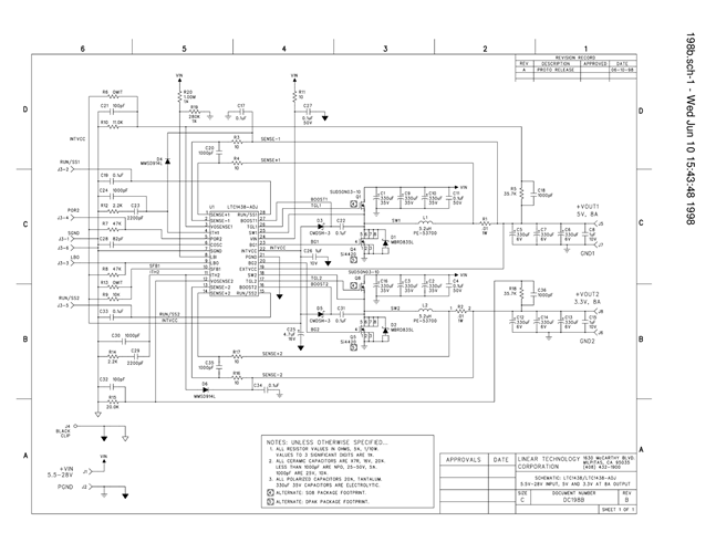
DC198B: Demo Board for the LTC1438 Dual High Efficiency, Low Noise, Synchronous Step-Down Switching Regulators.
Applicable Parts
Documentation & Resources
- 
                                                                
                                                                    
                                                                                                                                            DC198B - Schematic9/24/2009PDF97K
 
- 
                                                                
                                                                    
                                                                                                                                            DC198B - Demo Manual9/24/2009PDF71K
 
- 
                                                                
                                                                    
                                                                                                                                            DC198B - Design File9/24/2009ZIP368K
 
                                                