Overview
Product Details
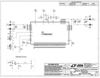
DC1939A: Demo Board for the LTM8052/LTM8052A - 36VIN, 5A, 2-Quadrant CVCC Step-Down uModule Regulator.
Applicable Parts
Documentation & Resources
-
DC1939A - Schematic8/15/2012PDF79K
-
DC1939A - Demo Manual8/15/2012PDF291K
-
DC1939A - Design Files8/15/2012ZIP2M




