Overview
Product Details
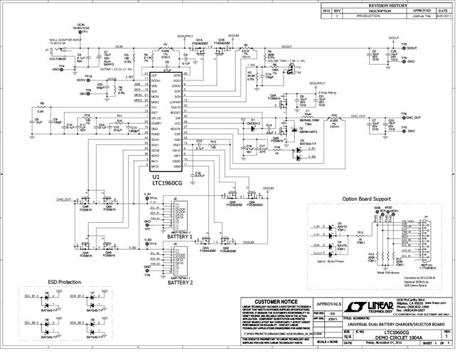
DC1904A: Demo Board for the LTC1960 Dual Battery Charger/Selector with SPI Interface.
Applicable Parts
Documentation & Resources
-
DC1904A - Schematic4/5/2012PDF102K
-
DC1904A - Demo Manual4/5/2012PDF331K
-
DC1904A - Design Files4/5/2012ZIP2M
